概述
用于避雷器是保证电力系统安全运行的重要设备之一。避雷器动作计数器起着监测避雷器泄漏电流和记载雷击次数作用。避雷器泄漏电流的大小直接反映避雷器性能的好坏,试验人员一般都将泄漏电流值当作避雷器是否正常工作的重要依据;另外,每当雷雨季节来临之前,工作人员都要测试计数器能否可靠动作。 ng28南宫相信品牌力量-ng相信品牌的力量-南宫ng28注册平台入口-南宫28在线注册网站-南宫28在线登录网页版-南宫28NG国际-南宫28圈电脑版-ng28娱乐注册入口官方FS3012避雷器计数器测试仪正是满足现场这种需要的实用仪器,检测避雷器计数器动作与否的专用测试仪器。
FS3012避雷器计数器测试仪工作原理
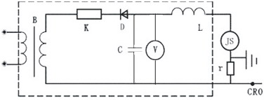
仪器原理示意图如下图所示。仪器内部冲击电流发生器产生8/20μs、100A的冲击电流波作用于动作计数器。

FS3012原理示意图(虚线框内)
C:充电电容 R:充电电阻 L:阻尼电感 D:整流硅二极管
r:分流器 B:试验变压器 V:静电电压表 CRO:高压示波器
FS3012避雷器计数器测试仪技术参数
☆ 输入电压:220±10%,50±0.5Hz
☆ 输出电流:8/20μs、100A的冲击电流
☆ 输出电压:0~1200V
☆ 仪器重量:5kg
仪器别称
避雷器放电计数器测试仪,避雷器动作计数器测试仪。
|
序 号 |
标 准 号 |
标 准 名 称 |
|
1 |
GB/T 191 |
包装储运图示标志 |
|
2 |
GB 4793.1 |
测量、控制和实验室用电气设备的安全要求 第1部分:通用要求 |
|
3 |
GB 6587.1 |
电子测量仪器 环境试验总纲 |
|
4 |
GB 6587.3 |
电子测量仪器 湿度试验 |
|
5 |
GB 6587.5 |
电子测量仪器 冲击试验 |
|
6 |
GB 6587.6 |
电子测量仪器 运输试验 |
|
7 |
GB 6587.8 |
电子测量仪器 电源频率与电压试验 |
|
8 |
GB/T 6592 |
电工和电子测量设备性能表示 |
|
9 |
GB/T 6593 |
电子测量仪器质量检验规则 |
|
10 |
JB/T 10492-2011 |
金属氧化物避雷器用监测装置 |



1、外观和结构
1. 本产品的外形尺寸及零部件尺寸符合设计图纸要求。
2. 本产品整机表面清洁无凹痕﹑划伤﹑变形。零部件整体和元器件装配位置要牢固,不应有虚焊﹑折裂和机械损伤。
3. 本产品面板字迹应清晰,各操作键接触良好,转换复位正常。
4. 产品标志:测试仪上印有铭牌,铭牌上印有下列标志:
1) 厂名,厂址;
2) 产品的名称,型号;
3) 制造日期;
4) 出厂编号。
2、验收及技术培训
1. 货物送用户单位,由供货商(厂家)与购货方双方到场进行开箱验收,主要进行外观和货物数量检查;
2. 交货后我方须派技术人员指导用户进行1次现场实测,以验证仪器性能。
3. 我方负责对买方进行现场培训,并提供相应的培训资料。
3、技术服务
1. 设备质保期:3年。
2. 设备3年免费检定或校准。
3. 设备终身维修。
4. 系统软件终身免费升级。
5. 我方对售后服务的需求必须在24小时答复,在48小时内提供技术服务。
6. 我方长期为买方提供备件采购和供应服务。



400
6213
产品说明书
产品图集
产品视频
400
6213